51200 -serie Stuwkracht kogellager
51200 -serie Stuwkracht kogellager
51200 -serie Stuwkracht kogellager

51200 -serie

De 51200 -serie stuwkracht kogellager is een rollend lager dat speciaal is ontworpen om axiale belasting te dragen. Het bestaat meestal uit een of meer bollen en twee lagerraces. Dit soort lager wordt voornamelijk gebruikt in toepassingen die bestand zijn tegen grote axiale krachten, zoals mechanische apparatuur, auto's, ruimtevaart en andere velden. De ballen van de 51200-serie zijn gemaakt van materialen met een hoge hardheid, die een goede slijtvastheid en druksterkte hebben en stabiele prestaties kunnen behouden tijdens hoge snelheid. Het heeft een compacte structuur en is gemakkelijk te installeren, waardoor het geschikt is voor gebruik in beperkte ruimtes. Vanwege de superieure prestaties en betrouwbaarheid worden 51200 -serie stuwkrachtlagers veel gebruikt in industriële productie en dagelijkse machines.

Stuur een aanvraag

Productparameters

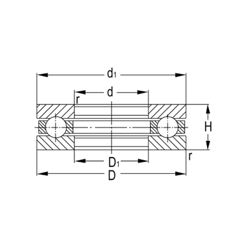
AanDuiding Hoofddimensies (mm) Basisbelastingsbeoordelingen (KN) Beperkte snelheid (RPM) Gewicht
d D T Dynamic (CR) Statisch (cor) Vet Olie (kg)
51203 17 35 12 17 27.2 4500 6300 0.048
51204 20 40 14 22.2 37.5 3800 5300 0.075
51205 25 47 15 27.8 50.5 3400 4800 0.11
51206 30 52 16 28 54.2 3200 4500 0.13
51207 35 62 18 39.2 78.2 2800 4000 0.21
51208 40 68 19 47 98.2 2400 3600 0.26
51209 45 73 20 47.8 105 2200 3400 0.3
51210 50 78 22 48.5 112 2000 3200 0.37
51211 55 90 25 67.5 158 1900 3000 0.58
51212 60 95 26 73.5 178 1800 2800 0.66
51213 65 100 27 74.8 188 1700 2600 0.72
51214 70 105 27 73.5 188 1600 2400 0.75
51215 75 110 27 74.8 198 1500 2200 0.82
51216 80 115 28 83.8 222 1400 2000 0.9
51217 85 125 31 102 280 1300 1900 1.21
51218 90 135 35 115 315 1200 1800 1.65
51220 100 150 38 132 375 1100 1700 2.21
51222 110 160 38 138 412 1000 1600 2.39

Over ons Yinin

Shanghai Yinin lager- en transmissiebedrijf Opgericht in 2009, met meer dan 20 jaar ervaring in de lagersector. Wij zijn een Chinese 51200 -serie Stuwkracht kogellager fabrikant en bieden Op maat gemaakte 51200 -serie Stuwkracht kogellager fabriek. Sinds 1999 treden wij op als agent van Chinese lagerfabrikanten en exporteren wij diverse lagers. Vandaag de dag hebben we ons ontwikkeld tot een uitgebreide lagergroep die verkoop en productie integreert.

Industriële toepassingen

Lagers spelen ook een zeer belangrijke rol in agrarische machines. Ze worden gebruikt om roterend...

Lagers worden veel gebruikt in auto's. Ze zijn de belangrijkste ondersteunende en roterende ...

Gebruikt voor ondersteuning, hoogte, hoek, gewricht en roterende delen van medische apparatuur.

Gebruikt voor ondersteuning, rotatie, motor- en compressoronderdelen van huishoudelijke apparaten...

Gebruikt voor rotatie en beweging van ondersteuning en begeleiding van delen van automatiseringsa...

In bouwstructuren kunnen lagers worden gebruikt om verschillende structurele componenten te verbi...

In het productieproces van voedsel en dranken zijn pompen nodig om vloeistoffen te transporteren ...

Lagers worden gebruikt in vliegtuig- en ruimtevaartuigmotoren ter ondersteuning van roterende com...

Nieuws en informatie

Meer informatie

2026-02-26

Wat zijn de cruciale verschillen tussen P6- en P5-preci...
In de uiterst nauwkeurige wereld van Computer Numerical Control (CNC)-bewerkingen zijn de prestaties van de 6000 kogellagers is van fundamenteel belang voor het bereiken van submicronnauwkeu...

2026-02-19

Technische analyse: wat zijn de belangrijkste verschill...
Op het gebied van precisietechniek, het selecteren van het juiste materiaal voor roestvrijstalen diepgroefkogellagers is een beslissing die de operationele levensduur en veiligheid va...

2026-02-12

Is een roestvrijstalen kogellager 6200 noodzakelijk voo...
Op het gebied van draaibewegingstechniek is de 6200-serie een van de meest gebruikte groefkogellagers vanwege zijn veelzijdigheid en geoptimaliseerde radiale belastingscapaciteit. Bij gebruik in in...

Neem contact met ons op

SUBMIT

Technisch advies

  • Shanghai Yinin lager- en transmissiebedrijf

    Oplossingen op maat

  • Shanghai Yinin lager- en transmissiebedrijf

    Continue R&D

  • Shanghai Yinin lager- en transmissiebedrijf

    Kwaliteitscontrole

  • Shanghai Yinin lager- en transmissiebedrijf

    Technische ondersteuning en training

  • Shanghai Yinin lager- en transmissiebedrijf

    Snelle reactie

Als u technisch advies of feedback heeft, zullen wij u zo snel mogelijk een professioneel antwoord sturen!

Neem contact met ons op