Thuis / Producten / Rollager / Taps toelopen / Buitenring met flenzenreeks
Buitenring met flenzenreeks Taps toelopen
Buitenring met flenzenreeks Taps toelopen
Buitenring met flenzenreeks Taps toelopen

Buitenring met flenzenreeks

Serie taps toelopende rollagers met flense buitenringen zijn zeer efficiënte rollagers die zijn ontworpen om axiale en radiale belastingen te weerstaan. De buitenring is uitgerust met een flens, die effectief kan worden gefixeerd en gepositioneerd, waardoor de stabiliteit van het lager in hoge belastingen en harde werkomgevingen wordt verbeterd. Met de taps toelopende rolstructuur kan deze grote radiale belastingen en axiale belastingen weerstaan. Het is geschikt voor zware machines, auto's, luchtvaart en andere velden. Het contacthoekontwerp van dit lager verhoogt de laadcapaciteit en de levensduur van het servicedienst terwijl het genereren van wrijving en warmte wordt verminderd. Met de juiste smering en onderhoud kunnen taps toelopende rollen met flens op de buitenring een soepele bedrijfsprestaties en betrouwbare werkefficiëntie bieden, en zijn een onmisbaar sleutelcomponent in moderne mechanische apparatuur.

Stuur een aanvraag

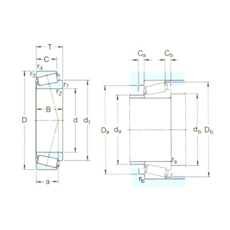
Productparameters

AAnDuiding Hoofddimensies (mm) Basisbelastingsbeoordelingen (KN) PU Snelheidsbeoordelingen (RPM) Gewicht (kg) Afmetingen (mm) Abutment- en filetafmetingen (mm) Waarde
D1 D B DYC (CR) STC (Cor) Snelheidsbeoordelingen Beperkende snelheid d D1 ~ D1 B C C1 R1,2 (min) R3,4 (min) a da (max) DB (min) ra (max) e Y Je
32008XR/QVA621 40 68 19 60 71 7,65 7500 9500 0,27 40 54,2 72 19 14,5 3,5 1 1 15 46 46 1 0,37 1,6 0,9
30208RJ2/Q 40 80 19,75 71 68 7,65 7000 8500 0,42 40 57,5 85 18 16 4 1,5 1,5 16 49 47 1 0,37 1,6 0,9
33209R/Q 45 85 32 108 143 16,3 5300 7500 0,85 45 65,2 90 32 25 5 1,5 1,5 22 52 52 1 0,4 1,5 0,8
32309BRJ2/QCL7C 45 100 38,25 156 176 20 5000 6700 1,50 45 74,8 106 36 30 7 2 1,5 30 55 54 1,5 0,54 1,1 0,6
32311BRJ2/QCL7C 55 120 45,5 216 260 30 4300 5600 2,50 55 90,5 127 43 35 8 2,5 2 36 67 65 2 0,54 1,1 0,6
33113R/Q 65 110 34 142 208 24 4300 5600 1,30 65 87,9 116 34 26,5 5,5 1,5 1,5 26 74 72 1 0,4 1,5 0,8
30313RJ2 65 140 36 194 228 27,5 3600 4800 2,40 65 98,3 147 33 28 6 3 2,5 28 84 77 2 0,35 1,7 0,9
30313RJ2 65 140 36 194 228 27,5 3600 4800 2,40 65 98,3 147 33 28 6 3 2,5 28 84 77 2 0,35 1,7 0,9

Over ons Yinin

Shanghai Yinin lager- en transmissiebedrijf Opgericht in 2009, met meer dan 20 jaar ervaring in de lagersector. Wij zijn een Chinese Buitenring met flenzenreeks Taps toelopen fabrikant en bieden Op maat gemaakte Buitenring met flenzenreeks Taps toelopen fabriek. Sinds 1999 treden wij op als agent van Chinese lagerfabrikanten en exporteren wij diverse lagers. Vandaag de dag hebben we ons ontwikkeld tot een uitgebreide lagergroep die verkoop en productie integreert.

Industriële toepassingen

Lagers spelen ook een zeer belangrijke rol in agrarische machines. Ze worden gebruikt om roterend...

Lagers worden veel gebruikt in auto's. Ze zijn de belangrijkste ondersteunende en roterende ...

Gebruikt voor ondersteuning, hoogte, hoek, gewricht en roterende delen van medische apparatuur.

Gebruikt voor ondersteuning, rotatie, motor- en compressoronderdelen van huishoudelijke apparaten...

Gebruikt voor rotatie en beweging van ondersteuning en begeleiding van delen van automatiseringsa...

In bouwstructuren kunnen lagers worden gebruikt om verschillende structurele componenten te verbi...

In het productieproces van voedsel en dranken zijn pompen nodig om vloeistoffen te transporteren ...

Lagers worden gebruikt in vliegtuig- en ruimtevaartuigmotoren ter ondersteuning van roterende com...

Nieuws en informatie

Meer informatie

2026-02-26

Wat zijn de cruciale verschillen tussen P6- en P5-preci...
In de uiterst nauwkeurige wereld van Computer Numerical Control (CNC)-bewerkingen zijn de prestaties van de 6000 kogellagers is van fundamenteel belang voor het bereiken van submicronnauwkeu...

2026-02-19

Technische analyse: wat zijn de belangrijkste verschill...
Op het gebied van precisietechniek, het selecteren van het juiste materiaal voor roestvrijstalen diepgroefkogellagers is een beslissing die de operationele levensduur en veiligheid va...

2026-02-12

Is een roestvrijstalen kogellager 6200 noodzakelijk voo...
Op het gebied van draaibewegingstechniek is de 6200-serie een van de meest gebruikte groefkogellagers vanwege zijn veelzijdigheid en geoptimaliseerde radiale belastingscapaciteit. Bij gebruik in in...

Neem contact met ons op

SUBMIT

Technisch advies

  • Shanghai Yinin lager- en transmissiebedrijf

    Oplossingen op maat

  • Shanghai Yinin lager- en transmissiebedrijf

    Continue R&D

  • Shanghai Yinin lager- en transmissiebedrijf

    Kwaliteitscontrole

  • Shanghai Yinin lager- en transmissiebedrijf

    Technische ondersteuning en training

  • Shanghai Yinin lager- en transmissiebedrijf

    Snelle reactie

Als u technisch advies of feedback heeft, zullen wij u zo snel mogelijk een professioneel antwoord sturen!

Neem contact met ons op