Thuis / Producten / Rollager / Taps toelopen / 33100 -serie
33100 -serie Taps toelopen
33100 -serie Taps toelopen
33100 -serie Taps toelopen

33100 -serie

De taps toelopende rollag van 33100 series is een krachtige lager die veel wordt gebruikt in mechanische apparatuur en heeft een uitstekende belastingdragende capaciteit en slijtvastheid. Dit soort lagers hanteert een taps toelopend rollerontwerp, dat de belasting effectief kan verspreiden en zich kan aanpassen aan grote radiale en axiale krachten. De binnen- en buitenringen en rollen van de 33100 -serie lagers zijn precisie bewerkt om te zorgen voor een goed fit en lage wrijvingsverlies, waardoor de levensduur van de services wordt verlengd. Bovendien voorkomt het verzegelde ontwerp van het lager de inbraak van stof en onzuiverheden, waardoor betrouwbaarheid in harde omgevingen wordt gewaarborgd. Het wordt vaak gebruikt in de auto, mijnbouw, metallurgie en andere industrieën, en is vooral geschikt voor werkomstandigheden met zware en hoge temperatuur. Met de juiste smering en onderhoud kunnen 33100 -serie taps toelopende rollagers uitstekende prestaties en stabiele werking bieden, die voldoen aan de hoge vereisten voor lagers in de moderne industrie.

Stuur een aanvraag

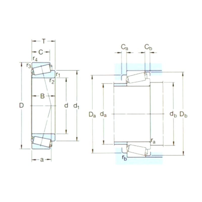
Productparameters

AAnDuiding Hoofddimensies (mm) Basisbelastingsbeoordelingen (KN) PU Snelheidsbeoordelingen (RPM) Gewicht (kg) ISO335 Afmetingen (mm) Abutment- en filetafmetingen (mm) Waarde
D1 D B DYC (CR) STC (Cor) Snelheidsbeoordelingen Beperkende snelheid Dimensies (ABMA) d D1 ~ B C R1,2 (min) R3,4 (min) a da (max) DB (min) Da (min) Da (max) DB (min) CA (min) CB (min) ra (max) RB (Max) e Y Je
33108/Q 40 75 26 91,5 104 11,4 7000 9000 0,51 2ce 40 57,5 26 20,5 1,5 1,5 18 47 47 65 68 71 4 5,5 1,5 1,5 0,35 1,7 0,9
33109/Q 45 80 26 96,5 114 12,9 6700 8000 0,56 3ce 45 62,7 26 20,5 1,5 1,5 19 52 52 69 73 77 4 5,5 1,5 1,5 0,37 1,6 0,9
33110/Q 50 85 26 100 122 13,4 6000 7500 0,59 3ce 50 67,9 26 20 1,5 1,5 20 57 57 74 78 82 4 6 1,5 1,5 0,4 1,5 0,8
33111/Q 55 95 30 110 156 17,6 5000 6700 0,86 3ce 55 75,1 30 23 1,5 1,5 22 63 62 83 88 91 5 7 1,5 1,5 0,37 1,6 0,9
33112/Q 60 100 30 134 170 19,6 5300 6300 0,92 3ce 60 80,4 30 23 1,5 1,5 23 67 67 88 93 96 5 7 1,5 1,5 0,4 1,5 0,8
33113/Q 65 110 34 142 208 24 4300 5600 1,30 3DE 65 87,9 34 26,5 1,5 1,5 26 74 72 96 103 106 6 7,5 1,5 1,5 0,4 1,5 0,8
33114/Q 70 120 37 172 250 30 4000 5300 1,70 3DE 70 94,8 37 29 2 1,5 28 80 79 104 112 115 6 8 2 1,5 0,37 1,6 0,9
33115/Q 75 125 37 176 265 31,5 3800 5000 1,80 3DE 75 100 37 29 2 1,5 29 84 84 109 117 120 6 8 2 1,5 0,4 1,5 0,8
33116/Q 80 130 37 179 280 32,5 3600 4800 1,90 3DE 80 105 37 29 2 1,5 30 89 89 114 122 126 6 8 2 1,5 0,43 1,4 0,8
33116tn9/q 80 130 37 179 280 32,5 3600 4800 1,90 3DE 80 105 37 29 2 1,5 30 89 89 114 122 126 6 8 2 1,5 0,43 1,4 0,8
33117/Q 85 140 41 220 340 38 3400 4500 2,45 3DE 85 112 41 32 2,5 2 32 95 95 122 130 135 7 9 2 2 0,4 1,5 0,8
33118/Q 90 150 45 251 390 43 3000 4300 3,10 3DE 90 120 45 35 2,5 2 35 101 101 130 140 144 7 10 2 2 0,4 1,5 0,8
33118tn9/Q 90 150 45 251 390 43 3000 4300 3,10 3DE 90 120 45 35 2,5 2 35 101 101 130 140 144 7 10 2 2 0,4 1,5 0,8
33122 110 180 56 369 630 67 2600 3400 5,55 3ee 110 146 56 43 2,5 2 44 121 121 155 170 174 9 13 2 2 0,43 1,4 0,8

Over ons Yinin

Shanghai Yinin lager- en transmissiebedrijf Opgericht in 2009, met meer dan 20 jaar ervaring in de lagersector. Wij zijn een Chinese 33100 -serie Taps toelopen fabrikant en bieden Op maat gemaakte 33100 -serie Taps toelopen fabriek. Sinds 1999 treden wij op als agent van Chinese lagerfabrikanten en exporteren wij diverse lagers. Vandaag de dag hebben we ons ontwikkeld tot een uitgebreide lagergroep die verkoop en productie integreert.

Industriële toepassingen

Lagers spelen ook een zeer belangrijke rol in agrarische machines. Ze worden gebruikt om roterend...

Lagers worden veel gebruikt in auto's. Ze zijn de belangrijkste ondersteunende en roterende ...

Gebruikt voor ondersteuning, hoogte, hoek, gewricht en roterende delen van medische apparatuur.

Gebruikt voor ondersteuning, rotatie, motor- en compressoronderdelen van huishoudelijke apparaten...

Gebruikt voor rotatie en beweging van ondersteuning en begeleiding van delen van automatiseringsa...

In bouwstructuren kunnen lagers worden gebruikt om verschillende structurele componenten te verbi...

In het productieproces van voedsel en dranken zijn pompen nodig om vloeistoffen te transporteren ...

Lagers worden gebruikt in vliegtuig- en ruimtevaartuigmotoren ter ondersteuning van roterende com...

Nieuws en informatie

Meer informatie

2026-02-26

Wat zijn de cruciale verschillen tussen P6- en P5-preci...
In de uiterst nauwkeurige wereld van Computer Numerical Control (CNC)-bewerkingen zijn de prestaties van de 6000 kogellagers is van fundamenteel belang voor het bereiken van submicronnauwkeu...

2026-02-19

Technische analyse: wat zijn de belangrijkste verschill...
Op het gebied van precisietechniek, het selecteren van het juiste materiaal voor roestvrijstalen diepgroefkogellagers is een beslissing die de operationele levensduur en veiligheid va...

2026-02-12

Is een roestvrijstalen kogellager 6200 noodzakelijk voo...
Op het gebied van draaibewegingstechniek is de 6200-serie een van de meest gebruikte groefkogellagers vanwege zijn veelzijdigheid en geoptimaliseerde radiale belastingscapaciteit. Bij gebruik in in...

Neem contact met ons op

SUBMIT

Technisch advies

  • Shanghai Yinin lager- en transmissiebedrijf

    Oplossingen op maat

  • Shanghai Yinin lager- en transmissiebedrijf

    Continue R&D

  • Shanghai Yinin lager- en transmissiebedrijf

    Kwaliteitscontrole

  • Shanghai Yinin lager- en transmissiebedrijf

    Technische ondersteuning en training

  • Shanghai Yinin lager- en transmissiebedrijf

    Snelle reactie

Als u technisch advies of feedback heeft, zullen wij u zo snel mogelijk een professioneel antwoord sturen!

Neem contact met ons op