Thuis / Producten / Rollager / Taps toelopen / 32300-serie
32300-serie Taps toelopen
32300-serie Taps toelopen
32300-serie Taps toelopen

32300-serie

De Kegellagers uit de 32300-serie zijn scheidbare lagers met hoge capaciteit, ontworpen om gelijktijdig aanzienlijke radiale en axiale belastingen te verwerken. Deze serie heeft een steile interne geometrie waarbij de contacthoeken van de binnenste loopbaan (kegel), de buitenste loopbaan (cup) en de taps toelopende rollen samenkomen bij een gemeenschappelijke top op de lageras. Dit specifieke ontwerp zorgt voor een echte rolbeweging en lage wrijving tijdens gebruik. De 32300-serie is vervaardigd uit hoogzuiver chroomstaal en wordt gekenmerkt door zijn grotere doorsnede en grotere roldiameter in vergelijking met de standaardserie, wat een verbeterd draagvermogen en structurele stijfheid oplevert. Deze lagers worden doorgaans in paren gemonteerd om bidirectionele axiale spanning te bereiken, waardoor ze fundamentele componenten worden in zware mechanische krachtoverbrengingen en voertuigasconstructies.

Stuur een aanvraag

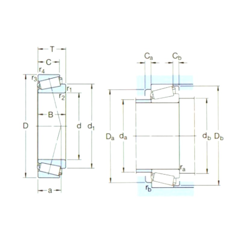
Technische specificaties en prestatieprofiel: Kegellagers uit de 32300-serie

Belangrijkste technische voordelen

  • Gecombineerd lastbeheer: Ontworpen om grote stuwkracht en radiale krachten te ondersteunen door middel van optimalisatie taps toelopende contacthoeken .
  • Scheidbare componenten: De beker en de kegelconstructie (rollen en kooi) zijn onafhankelijk van elkaar te monteren, waardoor het onderhoud eenvoudiger wordt nauwkeurige afstelling van de speling .
  • Hoge dimensionale stabiliteit: Gespecialiseerde warmtebehandelingsprocessen zorgen ervoor dat het lager zijn eigenschappen behoudt geometrische toleranties onder wisselende thermische omstandigheden.
  • Lage operationele wrijving: Nauwkeurig geslepen loopvlakken minimaliseren de oppervlakteruwheid, waardoor het koppel en de warmteopbouw tijdens het gebruik worden verminderd rotatie op hoge snelheid .

Technische kenmerken

Materiaalspecificatie GCr15 koolstofarm chroomlagerstaal
Materiaal kooi Geperst staal / machinaal bewerkt messing (afhankelijk van toepassing)
Precisiekwaliteit P0 (normaal), P6, P5
Laadtype Unidirectioneel Axiaal Hoog Radiaal
Temperatuurbereik -30°C tot 120°C (standaard smering)

Primaire toepassingsscenario's

  • Auto-aandrijflijnen: Wielnaven voor zware vrachtwagens, verschillen en transmissiesystemen.
  • Industriële machines: Primaire componenten binnen versnellingsbakreductie-eenheden , walserijen en mijnbouwapparatuur.
  • Bouwuitrusting: Geïntegreerd in de eindaandrijvingen van graafmachines en bulldozers die dit vereisen weerstand tegen schokbelasting .
  • Landbouwtechniek: Hoogbelaste draaipunten en aandrijfassen in tractoren en oogstmachines.

Installatie- en onderhoudsprotocollen

Opslag en behandeling

Lagers moeten worden opgeslagen in een schone, droge omgeving met een constante temperatuur om condensatie van vocht te voorkomen. De originele beschermende vetlaag moet intact blijven; verwijder de niet roestwerende verpakking tot het moment van installatie. Vermijd verticaal stapelen boven de gespecificeerde hoogte om dit te voorkomen elliptische vervorming van de ringen.

Voorzorgsmaatregelen voor gebruik

  • Axiale spelingaanpassing: Tijdens de montage wordt de eindspel of voorbelasting moet nauwkeurig worden ingesteld volgens de specificaties van de fabrikant om voortijdige vermoeidheid of oververhitting te voorkomen.
  • Verontreinigingscontrole: Zorg ervoor dat de behuizing en as vrij zijn van schurende deeltjes; gebruiken compatibele afdichtingen om de zuiverheid van het smeermiddel te behouden in buiten- of stoffige omgevingen.
  • Smering Selectie: Gebruik Extreme Pressure (EP)-additieven in vetten voor toepassingen met zware schokbelastingen om voldoende oliefilm tussen de rollen en loopbanen te behouden.
  • Uitlijning verificatie: Zorg ervoor concentriciteit van as naar behuizing ligt binnen de gespecificeerde limieten om randbelasting op de conische rollen te voorkomen.

Productparameters

Beneenming Belangrijkste afmetingen (mm) Basisbelastingswaarden (KN) Pu Snelheidsclassificaties (tpm) Gewicht (kg) ISO335 Afmetingen (mm) Afmetingen abutment en afronding (mm) Waarde
d1 D B dyc(Cr) stc(Cor) Snelheidsbeoordelingen Snelheid beperken Afmetingen (ABMA) d d1~ B C r1,2(min) r3,4(min) a da(max) db(min) Da(min) Da(max) DB(min) Ca(min) CB(min) ra(max) rb(max) e Y Jo
32303J2/Q 17 47 20,25 40 33,5 3,65 12000 16000 0,17 2FD 17 30,7 19 16 1 1 12 24 23 39 41 43 3 4 1 1 0,28 2,1 1,1
32304J2/Q 20 52 22,25 51 45,5 5 12000 14000 0,23 2FD 20 34,5 21 18 1,5 1,5 14 27 27 43 45 47 3 4 1,5 1,5 0,3 2 1,1
32305J2 25 62 25,25 60,5 63 7,1 8000 12000 0,36 2FD 25 41,7 24 20 1,5 1,5 15 33 32 52 55 57 3 5 1,5 1,5 0,3 2 1,1
32306J2/Q 30 72 28,75 88 85 9,65 7500 10000 0,55 2FD 30 48,7 27 23 1,5 1,5 18 39 37 59 65 66 3 5,5 1,5 1,5 0,31 1,9 1,1
32307J2/Q 35 80 32,75 95,2 106 12,2 6700 9000 0,73 2FE 35 54,8 31 25 2 1,5 20 44 44 66 71 74 4 7,5 2 1,5 0,31 1,9 1,1
32307BJ2/Q 35 80 32,75 93,5 114 13,2 6300 8500 0,80 5FE 35 59,3 31 25 2 1,5 24 42 44 61 71 76 4 7,5 2 1,5 0,54 1,1 0,6
32307/37BJ2/Q 37 80 32,75 93,5 114 13,2 6300 8500 0,85 - 37 54,8 31 25 2 1,5 20 44 44 66 71 74 4 7,5 2 1,5 0,54 1,1 0,6
32308J2/Q 40 90 35,25 117 140 16 5300 8000 1,00 2FD 40 62,9 33 27 2 1,5 23 51 49 73 81 82 3 8 2 1,5 0,35 1,7 0,9
32309J2/Q 45 100 38,25 140 170 20,4 4800 7000 1,35 2FD 45 70,4 36 30 2 1,5 25 57 53 82 91 93 4 8 2 1,5 0,35 1,7 0,9
32309BJ2/QCL7C 45 100 38,25 156 176 20 5000 6700 1,45 5FD 45 74,8 36 30 2 1,5 30 55 53 76 91 94 5 8 2 1,5 0,54 1,1 0,6
32310J2/Q 50 110 42,25 172 212 24 4300 6300 1,80 2FD 50 77,7 40 33 2,5 2 27 63 60 90 100 102 5 9 2 2 0,35 1,7 0,9
32310TN9 50 110 42,25 172 212 24 4300 6300 1,80 2FD 50 77,7 40 33 2,5 2 27 63 60 90 100 102 5 9 2 2 0,35 1,7 0,9
32310BJ2/QCL7C 50 110 42,25 183 216 24,5 4500 6000 1,85 5FD 50 82,9 40 33 2,5 2 34 62 60 83 100 103 5 9 2 2 0,54 1,1 0,6
32311J2 55 120 45,5 198 250 28,5 4000 5600 2,30 2FD 55 84,6 43 35 2,5 2 29 68 65 99 112 111 5 10,5 2 2 0,35 1,7 0,9
32311BJ2/QCL7C 55 120 45,5 216 260 30 4300 5600 2,50 5FD 55 90,5 43 35 2,5 2 36 67 65 91 112 112 5 10,5 2 2 0,54 1,1 0,6
32312J2/Q 60 130 48,5 229 290 34 3600 5300 2,85 2FD 60 91,7 46 37 3 2,5 31 74 72 107 118 120 6 11,5 2,5 2 0,35 1,7 0,9
32312BJ2/QCL7C 60 130 48,5 255 305 35,5 3800 5000 2,80 5FD 60 98,1 46 37 3 2,5 38 73 72 99 118 122 6 11,5 2,5 2 0,54 1,1 0,6
32313J2/Q 65 140 51 264 335 40 3400 4800 3,45 2GD 65 99,2 48 39 3 2,5 33 80 77 117 128 130 6 12 2,5 2 0,35 1,7 0,9
32313BJ2/QU4CL7CVQ267 65 140 51 285 345 40,5 3600 4800 3,35 5GD 65 105 48 39 3 2,5 41 79 77 107 128 131 6 12 2,5 2 0,54 1,1 0,6
32314J2/Q 70 150 54 297 380 45 3200 4500 4,30 2GD 70 106 51 42 3 2,5 36 86 82 125 138 140 6 12 2,5 2 0,35 1,7 0,9
32314BJ2/QCL7C 70 150 54 325 400 46,5 3400 4300 4,25 5GD 70 113 51 42 3 2,5 44 85 82 115 138 141 7 12 2,5 2 0,54 1,1 0,6
32315J2 75 160 58 336 440 51 3000 4300 5,20 2GD 75 113 55 45 3 2,5 38 92 87 133 148 149 7 13 2,5 2 0,35 1,7 0,9
32315BJ2/QCL7C 75 160 58 380 475 55 3200 4000 5,55 5GD 75 120 55 45 3 2,5 46 90 87 124 148 151 7 13 2,5 2 0,54 1,1 0,6
32316J2 80 170 61,5 380 500 57 3000 4300 6,20 2GD 80 120 58 48 3 2,5 41 98 92 142 158 159 7 13,5 2,5 2 0,35 1,7 0,9
32317J2 85 180 63,5 402 530 60 2800 4000 6,85 2GD 85 126 60 49 4 3 42 103 99 150 166 167 7 14,5 3 2,5 0,35 1,7 0,9
32317BJ2 85 180 63,5 391 560 62 2800 4000 7,50 5GD 85 135 60 49 4 3 52 102 99 138 166 169 7 14,5 3 2,5 0,54 1,1 0,6
32318J2 90 190 67,5 457 610 67 2600 4000 8,40 2GD 90 133 64 53 4 3 44 109 105 157 176 177 7 14,5 3 2,5 0,35 1,7 0,9
32319J2 95 200 71,5 501 670 72 2400 3400 11,0 2GD 95 141 67 55 4 3 47 115 110 166 186 186 8 16,5 3 2,5 0,35 1,7 0,9
32320J2 100 215 77,5 572 780 83 2200 3000 12,5 2GD 100 151 73 60 4 3 51 123 115 177 201 200 8 17,5 3 2,5 0,35 1,7 0,9
32321J2 105 225 81,5 605 815 85 2000 3000 14,5 2GD 105 158 77 63 4 3 53 129 120 185 211 209 9 18,5 3 2,5 0,35 1,7 0,9
32322 110 240 84,5 627 830 86,5 1900 2800 17,0 2GD 110 168 80 65 4 3 55 137 125 198 226 222 9 19,5 3 2,5 0,35 1,7 0,9
32324J2 120 260 90,5 792 1120 110 1800 2600 21,5 2GD 120 181 86 69 4 3 60 148 135 213 245 239 9 21,5 3 2,5 0,35 1,7 0,9

Over ons Yinin

Shanghai Yinin lager- en transmissiebedrijf Opgericht in 2009, met meer dan 20 jaar ervaring in de lagersector. Wij zijn een Chinese 32300-serie Taps toelopen fabrikant en bieden Op maat gemaakte 32300-serie Taps toelopen fabriek. Sinds 1999 treden wij op als agent van Chinese lagerfabrikanten en exporteren wij diverse lagers. Vandaag de dag hebben we ons ontwikkeld tot een uitgebreide lagergroep die verkoop en productie integreert.

Industriële toepassingen

Lagers spelen ook een zeer belangrijke rol in agrarische machines. Ze worden gebruikt om roterend...

Lagers worden veel gebruikt in auto's. Ze zijn de belangrijkste ondersteunende en roterende ...

Gebruikt voor ondersteuning, hoogte, hoek, gewricht en roterende delen van medische apparatuur.

Gebruikt voor ondersteuning, rotatie, motor- en compressoronderdelen van huishoudelijke apparaten...

Gebruikt voor rotatie en beweging van ondersteuning en begeleiding van delen van automatiseringsa...

In bouwstructuren kunnen lagers worden gebruikt om verschillende structurele componenten te verbi...

In het productieproces van voedsel en dranken zijn pompen nodig om vloeistoffen te transporteren ...

Lagers worden gebruikt in vliegtuig- en ruimtevaartuigmotoren ter ondersteuning van roterende com...

Nieuws en informatie

Meer informatie

2026-04-30

Roestvrijstalen lagers: vergelijkingsgids voor roest, b...
Roestvrij stalen lagers behoren tot de meest gebruikte lagermaterialen in industriële en consumentenproducten. Ze bieden in de meeste omgevingen een goede corrosieweerstand, maar zijn niet vo...

2026-04-23

Technische strategieën voor het optimaliseren van de le...
Shanghai Yinin Bearing & Transmission Company, opgericht als een geïntegreerde industrie- en handelsonderneming sinds 2016, is gespecialiseerd in het uitgebreide ontwerp en de productie van hoogwaa...

2026-04-15

Hoe kies ik de juiste interne speling voor een dubbelri...
De impact van hoge rotatiesnelheden op de lagerspeling Centrifugaalkracht en thermische uitzetting : Bij hogesnelheidstoepassingen is de binnenring van een hoekcontact dubbelri...

Neem contact met ons op

SUBMIT

Technisch advies

  • Shanghai Yinin lager- en transmissiebedrijf

    Oplossingen op maat

  • Shanghai Yinin lager- en transmissiebedrijf

    Continue R&D

  • Shanghai Yinin lager- en transmissiebedrijf

    Kwaliteitscontrole

  • Shanghai Yinin lager- en transmissiebedrijf

    Technische ondersteuning en training

  • Shanghai Yinin lager- en transmissiebedrijf

    Snelle reactie

Als u technisch advies of feedback heeft, zullen wij u zo snel mogelijk een professioneel antwoord sturen!

Neem contact met ons op