Thuis / Producten / Rollager / Taps toelopen / 32000 serie
32000 serie Taps toelopen
32000 serie Taps toelopen
32000 serie Taps toelopen

32000 serie

De 32000-serie taps toelopende rollen is een krachtige lager die veel wordt gebruikt in industriële en mechanische velden. Het wordt voornamelijk gebruikt om radiale en axiale belastingen te dragen. Het ontwerpfunctie van dit lager is dat de contactlijn tussen de taps toelopende rol en de binnen- en buitenringen in punt contact is, die de belasting effectief kan verdelen, wrijving kan verminderen en de levensduur kan verlengen. 32000-serie lagers zijn meestal gemaakt van hoogwaardig staal en hebben uitstekende slijtvastheid en hoge temperatuurweerstand, waardoor ze geschikt zijn voor gebruik in harde werkomgevingen. Het wordt veel gebruikt in auto's, spoorwegen, windenergie, mijnmachines en andere velden, vooral in situaties waar grote axiale belastingen vereist zijn. Deze reeks lagers vereisen een correcte aanpassing en smering tijdens de installatie om een ​​optimale bedrijfsprestaties en stabiliteit te garanderen.

Stuur een aanvraag

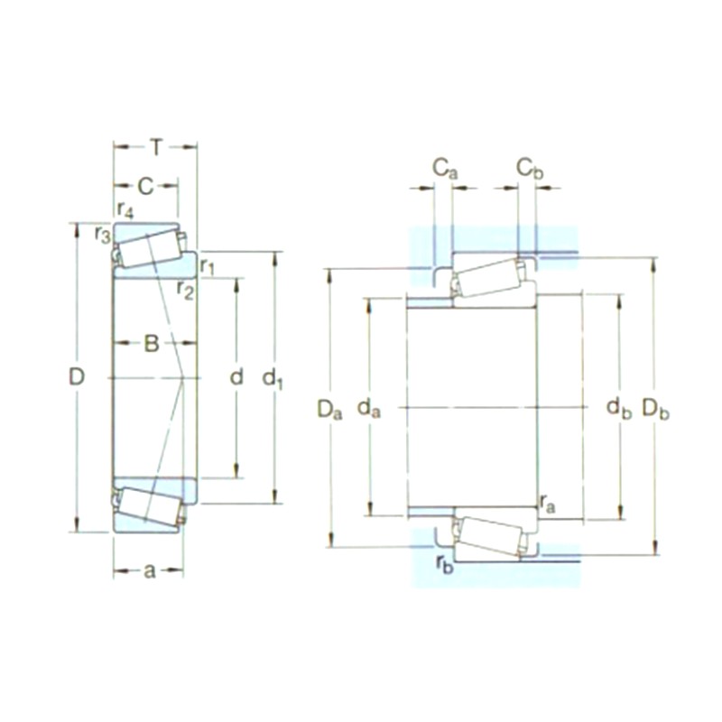
Productparameters

AAnDuiding Hoofddimensies (mm) Basisbelastingsbeoordelingen (KN) PU Snelheidsbeoordelingen (RPM) Gewicht (kg) ISO335 Afmetingen (mm) Abutment- en filetafmetingen (mm) Waarde
D1 D B DYC (CR) STC (Cor) Snelheidsbeoordelingen Beperkende snelheid Dimensies (ABMA) d D1 ~ B C R1,2 (min) R3,4 (min) a da (max) DB (min) Da (min) Da (max) DB (min) CA (min) CB (min) ra (max) RB (Max) e Y Je
32004X/Q 20 42 15 28 27 2,7 13000 16000 0,097 3cc 20 31,1 15 12 0,6 0,6 10 25 25 36 37 39 2 3 0,6 0,6 0,37 1,6 0,9
320/22X 22 44 15 25,1 29 2,85 11000 15000 0,10 3cc 22 33,3 15 11,5 0,6 0,6 11 27 27 38 39 41 3 3,5 0,6 0,6 0,40 1,5 0,8
32005X/Q 25 47 15 31 32,5 3,25 12000 14000 0,11 4cc 25 36,5 15 11,5 0,6 0,6 11 30 30 40 42 44 3 3,5 0,6 0,6 0,43 1,4 0,8
320/28X/Q 28 52 16 36,5 38 4 10000 13000 0,15 4cc 28 40,3 16 12 1 1 12 34 34 45 46 49 3 4 1 1 0,43 1,4 0,8
32006X/Q 30 55 17 40,5 44 4,55 10000 12000 0,17 4cc 30 43 17 13 1 1 13 35 36 48 49 52 3 4 1 1 0,43 1,4 0,8
320/32X/Q 32 58 17 42,5 46,5 4,8 9000 11000 0,19 4cc 32 45,6 17 13 1 1 14 38 38 50 52 55 3 4 1 1 0,46 1,3 0,7
32008/38X/Q 38 68 19 60 71 7,65 7500 10000 0,28 - 38 54,2 19 14,5 1 1 15 46 44 60 62 65 4 4,5 1 1 0,37 1,6 0,9
32008X/Q 40 68 19 60 71 7,65 7500 9500 0,27 3CD 40 54,2 19 14,5 1 1 15 46 46 60 62 65 4 4,5 1 1 0,37 1,6 0,9
32008XTN9/Q 40 68 19 60 71 7,65 7500 9500 0,27 3CD 40 54,2 19 14,5 1 1 15 46 46 60 62 65 4 4,5 1 1 0,37 1,6 0,9
33209/Q 45 85 32 108 143 16,3 5300 7500 0,82 3DE 45 65,2 32 25 1,5 1,5 22 52 52 72 78 81 5 7 1,5 1,5 0,4 1,5 0,8
32010x/Q 50 80 20 69,5 88 9,65 6300 8000 0,37 3cc 50 65,6 20 15,5 1 1 18 57 56 72 74 77 4 4,5 1 1 0,43 1,4 0,8
32010X/QCL7CVB026 50 80 20 69,5 88 9,65 6300 8000 0,37 3cc 50 65,6 20 15,5 3 1 18 57 62 72 74 77 4 4,5 2,5 1 0,43 1,4 0,8
32012X/QCL7C 60 95 23 95 122 13,4 5300 6700 0,59 4cc 60 77,8 23 17,5 1,5 1,5 21 67 67 85 88 91 4 5 1,5 1,5 0,43 1,4 0,8
32014X/Q 70 110 25 116 153 17,3 4500 5600 0,84 4cc 70 89,8 25 19 1,5 1,5 23 78 77 98 103 105 5 6 1,5 1,5 0,43 1,4 0,8
32015X/Q 75 115 25 122 163 18,6 4300 5300 0,90 4cc 75 95,1 25 19 1,5 1,5 25 83 82 103 108 110 5 6 1,5 1,5 0,46 1,3 0,7
32016X/Q 80 125 29 138 216 24,5 3600 5000 1,30 3cc 80 103 29 22 1,5 1,5 27 90 87 112 117 120 6 7 1,5 1,5 0,43 1,4 0,8
32018X/Q 90 140 32 168 270 31 3200 4300 1,75 3cc 90 115 32 24 2 1,5 30 100 98 125 132 134 6 8 2 1,5 0,43 1,4 0,8
32019x/Q 95 145 32 168 270 30,5 3200 4300 1,80 4cc 95 120 32 24 2 1,5 31 105 104 130 138 139 6 8 2 1,5 0,44 1,35 0,8
32021X/Q 105 160 35 201 335 37,5 2800 3800 2,40 4DC 105 132 35 26 2,5 2 34 116 116 143 150 154 6 9 2 2 0,44 1,35 0,8
32022X/Q 110 170 38 233 390 42,5 2600 3600 3,05 4DC 110 140 38 29 2,5 2 36 123 121 152 160 163 7 9 2 2 0,43 1,4 0,8
32021X/Q 105 160 35 201 335 37,5 2800 3800 2,40 4DC 105 132 35 26 2,5 2 34 116 116 143 150 154 6 9 2 2 0,44 1,35 0,8
32022X/Q 110 170 38 233 390 42,5 2600 3600 3,05 4DC 110 140 38 29 2,5 2 36 123 121 152 160 163 7 9 2 2 0,43 1,4 0,8
32024X 120 180 38 242 415 44 2400 3400 3,25 4DC 120 150 38 29 2,5 2 39 132 131 161 170 173 7 9 2 2 0,46 1,3 0,7
32026X 130 200 45 314 540 55 2200 3000 4,95 4EC 130 165 45 34 2,5 2 42 144 142 178 190 192 7 11 2 2 0,43 1,4 0,8
32028X 140 210 45 330 585 58,5 2200 2800 5,25 4DC 140 175 45 34 2,5 2 46 153 152 187 200 202 7 11 2 2 0,46 1,3 0,7
32030X 150 225 48 369 655 65,5 2000 2600 6,35 4EC 150 187 48 36 3 2,5 49 164 164 200 213 216 8 12 2,5 2 0,46 1,3 0,7
32032X 160 240 51 429 780 78 1800 2400 7,75 4EC 160 200 51 38 3 2,5 52 175 174 213 228 231 8 13 2,5 2 0,46 1,3 0,7
32034X 170 260 57 512 915 90 1700 2200 10,5 4EC 170 214 57 43 3 2,5 56 188 184 230 246 249 10 14 2,5 2 0,44 1,35 0,8
32036X 180 280 64 644 1160 110 1600 2200 14,5 3FD 180 229 64 48 3 2,5 59 199 194 247 266 267 10 16 2,5 2 0,43 1,4 0,8
32038X 190 290 64 660 1200 112 1500 2000 15,0 4FD 190 240 64 48 3 2,5 62 210 204 257 276 279 10 16 2,5 2 0,44 1,35 0,8
32040X 200 310 70 748 1370 127 1400 1900 19,5 4FD 200 254 70 53 3 2,5 66 222 214 273 296 297 11 17 2,5 2 0,43 1,4 0,8
32044X 220 340 76 897 1660 150 1300 1700 25,5 4FD 220 279 76 57 4 3 72 244 236 300 325 326 12 19 3 2,5 0,43 1,4 0,8
32048X 240 360 76 935 1800 160 1200 1600 27,5 4FD 240 299 76 57 4 3 78 262 256 318 345 346 12 19 3 2,5 0,46 1,3 0,7
32052X 260 400 87 1170 2200 190 1100 1400 40,0 4fc 260 328 87 65 5 4 84 287 282 352 383 383 13 22 4 3 0,43 1,4 0,8
32056X 280 420 87 1210 2360 200 1000 1300 40,5 4fc 280 348 87 65 5 4 89 305 302 370 400 402 14 22 4 3 0,46 1,3 0,7
32060X 300 460 100 1540 3000 250 900 1200 58,0 4GD 300 377 100 74 5 4 97 330 322 404 440 439 15 26 4 3 0,43 1,4 0,8
32064X 320 480 100 1540 3100 255 850 1100 64,0 4GD 320 399 100 74 5 4 103 350 342 424 460 461 15 26 4 3 0,46 1,3 0,7

Over ons Yinin

Shanghai Yinin lager- en transmissiebedrijf Opgericht in 2009, met meer dan 20 jaar ervaring in de lagersector. Wij zijn een Chinese 32000 serie Taps toelopen fabrikant en bieden Op maat gemaakte 32000 serie Taps toelopen fabriek. Sinds 1999 treden wij op als agent van Chinese lagerfabrikanten en exporteren wij diverse lagers. Vandaag de dag hebben we ons ontwikkeld tot een uitgebreide lagergroep die verkoop en productie integreert.

Industriële toepassingen

Lagers spelen ook een zeer belangrijke rol in agrarische machines. Ze worden gebruikt om roterend...

Lagers worden veel gebruikt in auto's. Ze zijn de belangrijkste ondersteunende en roterende ...

Gebruikt voor ondersteuning, hoogte, hoek, gewricht en roterende delen van medische apparatuur.

Gebruikt voor ondersteuning, rotatie, motor- en compressoronderdelen van huishoudelijke apparaten...

Gebruikt voor rotatie en beweging van ondersteuning en begeleiding van delen van automatiseringsa...

In bouwstructuren kunnen lagers worden gebruikt om verschillende structurele componenten te verbi...

In het productieproces van voedsel en dranken zijn pompen nodig om vloeistoffen te transporteren ...

Lagers worden gebruikt in vliegtuig- en ruimtevaartuigmotoren ter ondersteuning van roterende com...

Nieuws en informatie

Meer informatie

2026-02-26

Wat zijn de cruciale verschillen tussen P6- en P5-preci...
In de uiterst nauwkeurige wereld van Computer Numerical Control (CNC)-bewerkingen zijn de prestaties van de 6000 kogellagers is van fundamenteel belang voor het bereiken van submicronnauwkeu...

2026-02-19

Technische analyse: wat zijn de belangrijkste verschill...
Op het gebied van precisietechniek, het selecteren van het juiste materiaal voor roestvrijstalen diepgroefkogellagers is een beslissing die de operationele levensduur en veiligheid va...

2026-02-12

Is een roestvrijstalen kogellager 6200 noodzakelijk voo...
Op het gebied van draaibewegingstechniek is de 6200-serie een van de meest gebruikte groefkogellagers vanwege zijn veelzijdigheid en geoptimaliseerde radiale belastingscapaciteit. Bij gebruik in in...

Neem contact met ons op

SUBMIT

Technisch advies

  • Shanghai Yinin lager- en transmissiebedrijf

    Oplossingen op maat

  • Shanghai Yinin lager- en transmissiebedrijf

    Continue R&D

  • Shanghai Yinin lager- en transmissiebedrijf

    Kwaliteitscontrole

  • Shanghai Yinin lager- en transmissiebedrijf

    Technische ondersteuning en training

  • Shanghai Yinin lager- en transmissiebedrijf

    Snelle reactie

Als u technisch advies of feedback heeft, zullen wij u zo snel mogelijk een professioneel antwoord sturen!

Neem contact met ons op