Thuis / Producten / Rollager / Taps toelopen / 31300 -serie
31300 -serie Taps toelopen
31300 -serie Taps toelopen
31300 -serie Taps toelopen

31300 -serie

31300-serie taps toelopende rollagers zijn rollende lagers met een hoge belastingdragende capaciteit en uitstekende slijtvastheid, en worden veel gebruikt in verschillende industriële apparatuur en machines. Deze reeks lagers hanteert een taps toelopend rolontwerp en kan radiale en axiale belastingen weerstaan. Het is geschikt voor gebruik in omgevingen met hoge laden en snelle werking. De structurele kenmerken zijn onder meer taps toelopende contactoppervlakken op de binnen- en buitenringen, wat zorgt voor een precieze pasvorm tussen rollen en vluchtways, waardoor wrijving en hitte -generatie wordt verminderd. Het materiaal van de 31300-serie lagers is meestal van hoogwaardig legeringsstaal dat warmte wordt behandeld om de hardheid en duurzaamheid te verbeteren. Bovendien heeft dit lager ook goede zelfuitlichtingsmogelijkheden, die kunnen compenseren voor afwijkingen veroorzaakt door onjuiste installatie of asbuigen, waardoor de levensduur van de services wordt verlengd. Gemeenschappelijke applicatiegebieden zijn de auto -industrie, mijnbouwmachines, metallurgische apparatuur en ruimtevaart.

Stuur een aanvraag

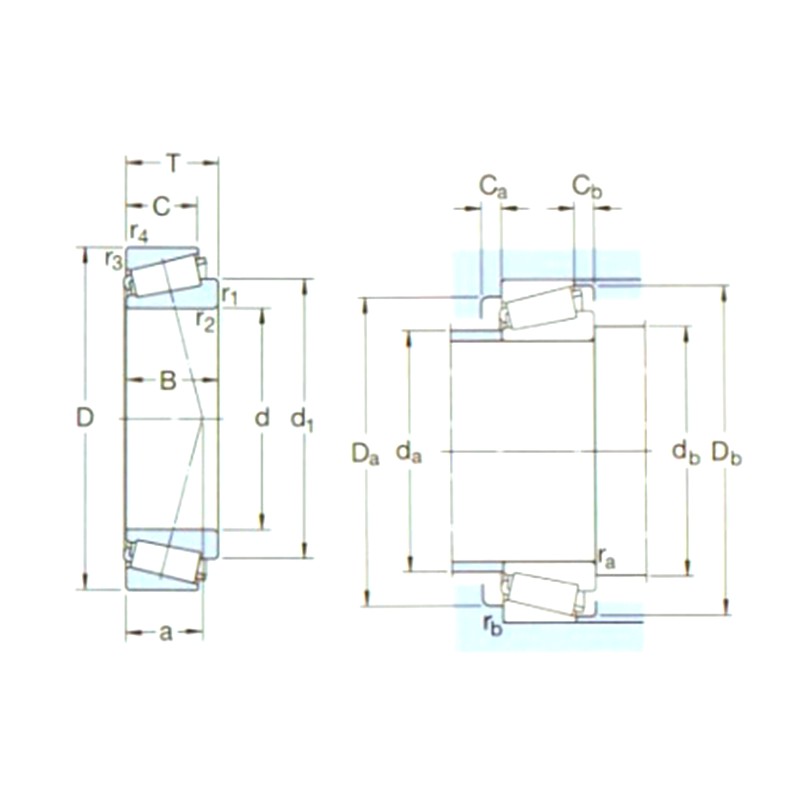
Productparameters

AAnDuiding Hoofddimensies (mm) Basisbelastingsbeoordelingen (KN) PU Snelheidsbeoordelingen (RPM) Gewicht (kg) ISO335 Afmetingen (mm) Abutment- en filetafmetingen (mm) Waarde
D1 D B DYC (CR) STC (Cor) Snelheidsbeoordelingen Beperkende snelheid Dimensies (ABMA) d D1 ~ B C R1,2 (min) R3,4 (min) a da (max) DB (min) Da (min) Da (max) DB (min) CA (min) CB (min) ra (max) RB (Max) e Y Je
31305J2 25 62 18,25 38 40 4,4 7500 11000 0,26 7fb 25 45,8 17 13 1,5 1,5 20 34 32 47 55 59 3 5 1,5 1,5 0,83 0,72 0,4
31306J2/Q 30 72 20,75 55 50 5,7 7500 9500 0,39 7fb 30 52,7 19 14 1,5 1,5 22 40 37 55 65 68 3 6,5 1,5 1,5 0,83 0,72 0,4
31307J2/Q 35 80 22,75 71 67 7,8 6300 8500 0,52 7fb 35 59,6 21 15 2 1,5 25 45 44 62 71 76 3 7,5 2 1,5 0,83 0,72 0,4
31308J2/QCL7C 40 90 25,25 85 81,5 9,5 5600 7500 0,72 7fb 40 67,1 23 17 2 1,5 28 51 49 71 81 86 3 8 2 1,5 0,83 0,72 0,4
31309J2/QCL7C 45 100 27,25 106 102 12,5 5000 6700 0,95 7fb 45 74,7 25 18 2 1,5 31 57 53 79 91 95 4 9 2 1,5 0,83 0,72 0,4
31310J2/QCL7C 50 110 29,25 122 120 14,3 4500 6000 1,20 7fb 50 81,5 27 19 2,5 2 34 62 60 87 100 104 4 10 2 2 0,83 0,72 0,4
31311J2/QCL7C 55 120 31,5 140 137 16,6 4300 5600 1,55 7fb 55 88,4 29 21 2,5 2 37 68 65 94 112 113 4 10,5 2 2 0,83 0,72 0,4
31312J2/QCL7C 60 130 33,5 166 166 20,4 3800 5300 1,90 7fb 60 95,9 31 22 3 2,5 39 74 72 103 118 123 5 11,5 2,5 2 0,83 0,72 0,4
31313J2/QCL7C 65 140 36 190 193 23,6 3600 4800 2,35 7 GB 65 103 33 23 3 2,5 42 80 77 111 128 132 5 13 2,5 2 0,83 0,72 0,4
31314J2/QCL7C 70 150 38 216 220 27 3400 4500 2,95 7 GB 70 110 35 25 3 2,5 45 85 82 118 138 141 5 13 2,5 2 0,83 0,72 0,4
31315J2/QCL7C 75 160 40 240 245 29 3200 4300 3,50 7 GB 75 116 37 26 3 2,5 48 91 87 127 148 151 6 14 2,5 2 0,83 0,72 0,4
31316J1/QCL7C 80 170 42,5 260 265 32 3000 4000 4,05 7 GB 80 124 39 27 3 2,5 52 97 92 134 158 159 6 15,5 2,5 2 0,83 0,72 0,4
31317J2 85 180 44,5 242 285 33,5 2600 3800 4,60 7 GB 85 131 41 28 4 3 55 103 99 143 166 169 6 16,5 3 2,5 0,83 0,72 0,4
31318J2 90 190 46,5 264 315 36,5 2400 3400 5,90 7 GB 90 138 43 30 4 3 57 109 105 151 176 179 5 16,5 3 2,5 0,83 0,72 0,4
31319J2 95 200 49,5 292 355 39 2400 3400 6,95 7 GB 95 145 45 32 4 3 60 114 110 157 186 187 5 17,5 3 2,5 0,83 0,72 0,4
31320XJ2/CL7CVQ051 100 215 56,5 430 465 51 2400 3000 8,60 7 GB 100 158 51 35 4 3 65 121 115 168 201 202 7 21,5 3 2,5 0,83 0,72 0,4
31322XJ2 110 240 63 457 585 62 1900 2800 12,0 7 GB 110 176 57 38 4 3 72 135 125 188 226 224 7 25 3 2,5 0,83 0,72 0,4
31324XJ2 120 260 68 539 695 73,5 1700 2400 15,5 7 GB 120 190 62 42 4 3 78 145 135 203 245 244 9 26 3 2,5 0,83 0,72 0,4
31326XJ2 130 280 72 605 780 81,5 1600 2400 18,5 7 GB 130 204 66 44 5 4 84 157 150 218 263 261 8 28 4 3 0,83 0,72 0,4
31328XJ2 140 300 77 693 900 88 1500 2200 24,5 7 GB 140 219 70 47 5 4 90 169 160 235 283 280 9 30 4 3 0,83 0,72 0,4
31330xj2 150 320 82 781 1020 100 1400 2000 29,5 7 GB 150 234 75 50 5 4 96 181 170 251 303 300 9 32 4 3 0,83 0,72 0,4

Over ons Yinin

Shanghai Yinin lager- en transmissiebedrijf Opgericht in 2009, met meer dan 20 jaar ervaring in de lagersector. Wij zijn een Chinese 31300 -serie Taps toelopen fabrikant en bieden Op maat gemaakte 31300 -serie Taps toelopen fabriek. Sinds 1999 treden wij op als agent van Chinese lagerfabrikanten en exporteren wij diverse lagers. Vandaag de dag hebben we ons ontwikkeld tot een uitgebreide lagergroep die verkoop en productie integreert.

Industriële toepassingen

Lagers spelen ook een zeer belangrijke rol in agrarische machines. Ze worden gebruikt om roterend...

Lagers worden veel gebruikt in auto's. Ze zijn de belangrijkste ondersteunende en roterende ...

Gebruikt voor ondersteuning, hoogte, hoek, gewricht en roterende delen van medische apparatuur.

Gebruikt voor ondersteuning, rotatie, motor- en compressoronderdelen van huishoudelijke apparaten...

Gebruikt voor rotatie en beweging van ondersteuning en begeleiding van delen van automatiseringsa...

In bouwstructuren kunnen lagers worden gebruikt om verschillende structurele componenten te verbi...

In het productieproces van voedsel en dranken zijn pompen nodig om vloeistoffen te transporteren ...

Lagers worden gebruikt in vliegtuig- en ruimtevaartuigmotoren ter ondersteuning van roterende com...

Nieuws en informatie

Meer informatie

2026-02-26

Wat zijn de cruciale verschillen tussen P6- en P5-preci...
In de uiterst nauwkeurige wereld van Computer Numerical Control (CNC)-bewerkingen zijn de prestaties van de 6000 kogellagers is van fundamenteel belang voor het bereiken van submicronnauwkeu...

2026-02-19

Technische analyse: wat zijn de belangrijkste verschill...
Op het gebied van precisietechniek, het selecteren van het juiste materiaal voor roestvrijstalen diepgroefkogellagers is een beslissing die de operationele levensduur en veiligheid va...

2026-02-12

Is een roestvrijstalen kogellager 6200 noodzakelijk voo...
Op het gebied van draaibewegingstechniek is de 6200-serie een van de meest gebruikte groefkogellagers vanwege zijn veelzijdigheid en geoptimaliseerde radiale belastingscapaciteit. Bij gebruik in in...

Neem contact met ons op

SUBMIT

Technisch advies

  • Shanghai Yinin lager- en transmissiebedrijf

    Oplossingen op maat

  • Shanghai Yinin lager- en transmissiebedrijf

    Continue R&D

  • Shanghai Yinin lager- en transmissiebedrijf

    Kwaliteitscontrole

  • Shanghai Yinin lager- en transmissiebedrijf

    Technische ondersteuning en training

  • Shanghai Yinin lager- en transmissiebedrijf

    Snelle reactie

Als u technisch advies of feedback heeft, zullen wij u zo snel mogelijk een professioneel antwoord sturen!

Neem contact met ons op