Thuis / Producten / Rollager / Taps toelopen / 30200 -serie
30200 -serie Taps toelopen
30200 -serie Taps toelopen
30200 -serie Taps toelopen

30200 -serie

Het taps toelopende rollag van 30200-serie is een krachtige lager die veel wordt gebruikt in de machines en de auto-industrie. Deze reeks lagers heeft taps toelopende binnen- en buitenringen en rollerontwerpen, die bestand zijn tegen radiale en axiale belastingen en zich kunnen aanpassen aan hoge snelheidswerkzaamheden en zware ladingcondities. De grootte van de 30200 -serie is meestal 10 mm tot 100 mm in de binnendiameter en 30 mm tot 150 mm in de buitendiameter. Het is geschikt voor verschillende mechanische apparatuur, zoals elektromotoren, versnellingsbakken en industriële apparatuur. Het taps toelopende ontwerp van de rollende elementen vermindert effectief de wrijving en verbetert de werkefficiëntie en duurzaamheid. Deze reeks lagers maakt gebruik van hoogwaardige stalen en geavanceerde productieprocessen om uitstekende prestaties en betrouwbare levensduur te garanderen. Bovendien kan de 30200 -serie verschillende afdichtings- en smeeropties bieden volgens de behoeften van de klant om aan de vereisten van specifieke toepassingsscenario's te voldoen.

Stuur een aanvraag

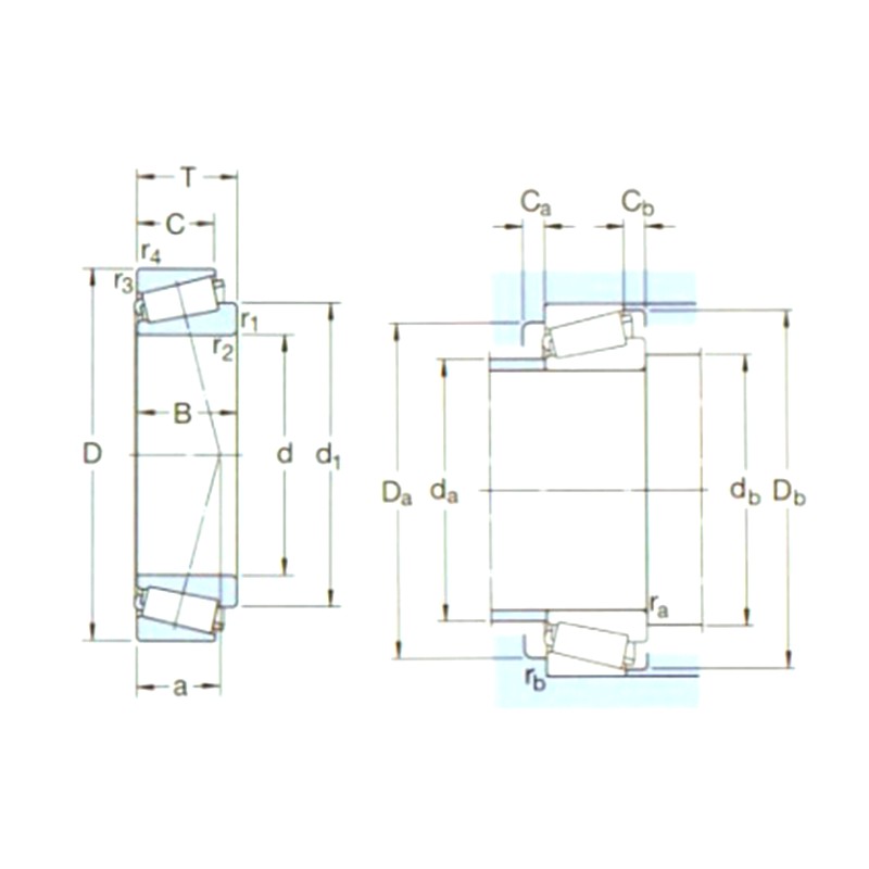
Productparameters

AAnDuiding Hoofddimensies (mm) Basisbelastingsbeoordelingen (KN) PU Snelheidsbeoordelingen (RPM) Gewicht (kg) ISO335 Afmetingen (mm) Abutment- en filetafmetingen (mm) Waarde
D1 D B DYC (CR) STC (Cor) Snelheidsbeoordelingen Beperkende snelheid Dimensies (ABMA) d D1 ~ B C R1,2 (min) R3,4 (min) a da (max) DB (min) Da (min) Da (max) DB (min) CA (min) CB (min) ra (max) RB (Max) e Y Je
30203J2 17 40 13,25 19 18,6 1,83 13000 18000 0,075 2DB 17 28 12 11 1 1 10 23 23 34 34 37 2 2 1 1 0,35 1,7 0,9
30204J2/Q 20 47 15,25 32 28 3 12000 15000 0,12 2DB 20 33,2 14 12 1 1 11 27 26 40 41 43 2 3 1 1 0,35 1,7 0,9
30205J2/Q 25 52 16,25 35,5 33,5 3,45 11000 13000 0,15 3cc 25 37,4 15 13 1 1 12 31 31 44 46 48 2 3 1 1 0,37 1,6 0,9
302/28J2 28 58 17,25 38 41,5 4,4 9000 12000 0,25 - 28 41,8 16 14 1 1 13 35 34 50 52 54 2 3 1 1 0,37 1,6 0,9
30206J2/Q 30 62 17,25 46,5 44 4,8 9000 11000 0,23 3DB 30 44,6 16 14 1 1 14 38 36 53 56 57 2 3 1 1 0,37 1,6 0,9
30207J2/Q 35 72 18,25 58,5 56 6,1 8000 9500 0,32 3DB 35 51,8 17 15 1,5 1,5 15 44 42 62 65 67 3 3 1,5 1,5 0,37 1,6 0,9
30208J2/Q 40 80 19,75 71 68 7,65 7000 8500 0,42 3DB 40 57,5 18 16 1,5 1,5 16 49 47 69 73 74 3 3,5 1,5 1,5 0,37 1,6 0,9
30209J2/Q 45 85 20,75 76,5 76,5 8,65 6300 8000 0,48 3DB 45 63 19 16 1,5 1,5 18 54 52 74 78 80 3 4,5 1,5 1,5 0,4 1,5 0,8
30210J2/Q 50 90 21,75 86,5 91,5 10,4 6000 7500 0,54 3DB 50 67,9 20 17 1,5 1,5 19 58 57 79 83 85 3 4,5 1,5 1,5 0,43 1,4 0,8
30211J2/Q 55 100 22,75 104 106 12 5300 6700 0,70 3DB 55 74,6 21 18 2 1,5 20 64 64 88 93 94 4 4,5 2 1,5 0,4 1,5 0,8
30212J2/Q 60 110 23,75 112 114 13,2 5000 6000 0,88 3EB 60 81,5 22 19 2 1,5 22 70 68 96 103 103 4 4,5 2 1,5 0,4 1,5 0,8
30213J2/Q 65 120 24,75 132 134 16,3 4500 5600 1,15 3EB 65 89 23 20 2 1,5 23 78 74 106 113 113 4 4,5 2 1,5 0,4 1,5 0,8
30214J2/Q 70 125 26,25 125 156 18 4000 5300 1,25 3EB 70 93,9 24 21 2 1,5 25 82 78 110 115 118 4 5 2 1,5 0,43 1,4 0,8
30215J2/Q 75 130 27,25 140 176 20,4 3800 5000 1,40 4DB 75 99,2 25 22 2 1,5 27 86 84 115 122 124 4 5 2 1,5 0,43 1,4 0,8
30216J2/Q 80 140 28,25 151 183 21,2 3400 4800 1,60 3EB 80 105 26 22 2,5 2 28 92 90 124 130 132 4 6 2 2 0,43 1,4 0,8
30217J2/Q 85 150 30,5 176 220 25,5 3200 4300 2,05 3EB 85 112 28 24 2,5 2 30 97 95 132 140 141 5 6,5 2 2 0,43 1,4 0,8
30218J2 90 160 32,5 194 245 28,5 3000 4000 2,55 3FB 90 118 30 26 2,5 2 31 104 101 140 150 150 5 6,5 2 2 0,43 1,4 0,8
30219J2 95 170 34,5 216 275 31,5 2800 3800 3.00 uur 3FB 95 126 32 27 3 2,5 33 110 107 149 158 159 5 7,5 2,5 2 0,43 1,4 0,8
33020/Q 100 150 39 224 390 41,5 3000 4000 2,40 2ce 100 122 39 32,5 2 1,5 29 109 108 135 142 143 7 6,5 2 1,5 0,3 2 1,1
30220J2 100 180 37 246 320 36 2800 3600 3,65 3FB 100 133 34 29 3 2,5 35 116 112 157 168 168 5 8 2,5 2 0,43 1,4 0,8
33021/Q 105 160 43 246 430 45,5 2800 3800 3,05 2de 105 131 43 34 2,5 2 31 117 116 145 150 153 7 9 2 2 0,28 2,1 1,1
30221J2 105 190 39 270 355 40 2600 3400 4,25 3FB 105 141 36 30 3 2,5 37 123 117 165 178 177 6 9 2,5 2 0,43 1,4 0,8
33022 110 170 47 281 500 53 2600 3600 3,85 2de 110 139 47 37 2,5 2 34 123 121 152 160 161 7 10 2 2 0,28 2,1 1,1
30222J2 110 200 41 308 405 45 2400 3200 5,10 3FB 110 148 38 32 3 2,5 39 129 122 174 188 187 6 9 2,5 2 0,43 1,4 0,8
33024 120 180 48 292 540 56 2600 3400 4.20 2de 120 149 48 38 2,5 2 36 132 131 160 170 171 6 10 2 2 0,3 2 1,1
30224J2 120 215 43,5 341 465 49 2200 3000 6,15 4FB 120 161 40 34 3 2,5 43 141 132 187 203 201 6 9,5 2,5 2 0,43 1,4 0,8
30226J2 130 230 43,75 369 490 53 2000 2800 7,60 4FB 130 173 40 34 4 3 45 152 146 203 216 217 7 9,5 3 2,5 0,43 1,4 0,8
30228J2 140 250 45,75 418 570 58,5 1900 2600 8,65 4FB 140 186 42 36 4 3 47 164 156 219 236 234 7 9,5 3 2,5 0,43 1,4 0,8
30230 150 270 49 429 560 57 1800 2400 11,0 4 GB 150 200 45 38 4 3 50 175 166 234 256 250 9 11 3 2,5 0,43 1,4 0,8
30232J2 160 290 52 528 735 72 1600 2200 13,0 4 GB 160 214 48 40 4 3 54 189 176 252 275 269 8 12 3 2,5 0,43 1,4 0,8
30234J2 170 310 57 616 865 83 1500 2000 19,0 4 GB 170 230 52 43 5 4 58 203 190 268 293 288 8 14 4 3 0,43 1,4 0,8
30236J2 180 320 57 583 815 80 1500 2000 20,0 4 GB 180 239 52 43 5 4 61 211 200 278 303 297 9 14 4 3 0,44 1,35 0,8
30238J2 190 340 60 721 1000 95 1400 1800 24,0 4 GB 190 254 55 46 5 4 63 224 210 298 323 318 9 14 4 3 0,43 1,4 0,8
30240J2 200 360 64 792 1120 106 1300 1700 25,0 4 GB 200 268 58 48 5 4 68 237 220 315 343 336 9 16 4 3 0,43 1,4 0,8
30244J2 220 400 72 990 1400 129 1200 1600 40,0 - 220 294 65 54 5 4 74 259 242 348 383 371 10 18 4 3 0,43 1,4 0,8

Over ons Yinin

Shanghai Yinin lager- en transmissiebedrijf Opgericht in 2009, met meer dan 20 jaar ervaring in de lagersector. Wij zijn een Chinese 30200 -serie Taps toelopen fabrikant en bieden Op maat gemaakte 30200 -serie Taps toelopen fabriek. Sinds 1999 treden wij op als agent van Chinese lagerfabrikanten en exporteren wij diverse lagers. Vandaag de dag hebben we ons ontwikkeld tot een uitgebreide lagergroep die verkoop en productie integreert.

Industriële toepassingen

Lagers spelen ook een zeer belangrijke rol in agrarische machines. Ze worden gebruikt om roterend...

Lagers worden veel gebruikt in auto's. Ze zijn de belangrijkste ondersteunende en roterende ...

Gebruikt voor ondersteuning, hoogte, hoek, gewricht en roterende delen van medische apparatuur.

Gebruikt voor ondersteuning, rotatie, motor- en compressoronderdelen van huishoudelijke apparaten...

Gebruikt voor rotatie en beweging van ondersteuning en begeleiding van delen van automatiseringsa...

In bouwstructuren kunnen lagers worden gebruikt om verschillende structurele componenten te verbi...

In het productieproces van voedsel en dranken zijn pompen nodig om vloeistoffen te transporteren ...

Lagers worden gebruikt in vliegtuig- en ruimtevaartuigmotoren ter ondersteuning van roterende com...

Nieuws en informatie

Meer informatie

2026-03-26

Wat zijn de structurele voordelen van het gebruik van e...
In de fijnmechanische machinebouw bepaalt de keuze tussen geïntegreerde componenten en modulaire samenstellingen vaak de uiteindelijke stabiliteit van het systeem. Voor rotatietoepassingen die een ...

2026-03-19

Waarom raakt uw 6000-kogellager oververhit en hoe kan e...
Op het gebied van precisieroterende machines zijn de 6000 kogellagers is een alomtegenwoordig onderdeel, favoriet vanwege zijn vermogen om zowel radiale als axiale belastingen te verw...

2026-03-12

Waarom zijn roestvrijstalen diepgroefkogellagers van vo...
In de omgeving van de voedingsmiddelen- en drankenproductie waar veel op het spel staat, zijn mechanische betrouwbaarheid en biologische veiligheid onlosmakelijk met elkaar verbonden. De keuze van ...

Neem contact met ons op

SUBMIT

Technisch advies

  • Shanghai Yinin lager- en transmissiebedrijf

    Oplossingen op maat

  • Shanghai Yinin lager- en transmissiebedrijf

    Continue R&D

  • Shanghai Yinin lager- en transmissiebedrijf

    Kwaliteitscontrole

  • Shanghai Yinin lager- en transmissiebedrijf

    Technische ondersteuning en training

  • Shanghai Yinin lager- en transmissiebedrijf

    Snelle reactie

Als u technisch advies of feedback heeft, zullen wij u zo snel mogelijk een professioneel antwoord sturen!

Neem contact met ons op